Descrizione
Perno standard in ottone. A richiesta in ferro zincato.
Utili in applicazioni specifiche, ad esempio motori asincroni monofase.
N.B. Posizione perni e siglatura a discrezione del cliente.
DATI TECNICI
| DISEGNI TECNICI PERNI E MINUTERIA E DOVE RICHIESTE, NORME DI RIFERIMENTO |
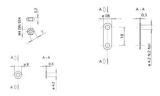
| Perno M4 | Uni 5541-65 / 5542-65 / 4535-64 | |
| Dado M4 | Din 934 = Uni 5588 | |
| Rondelle M4 | Din 125 = Uni 6592 | |
| Piastrine M4 interasse 15 mm | Nessuna norma precisa; per gli spessori minimi si fa riferimento comunque alla Din 125 | |
| Perno carico di torsione | 2 N.m | |
| Certificazioni UL | File n° E213748 |
| MINUTERIA METALLICA A CORREDO |
Il corredo potrà essere composto a seconda delle richieste e delle necessità. In tutti i casi il corredo può essere fornito in confezione unica oppure separatamente in sacchettini singoli.















